Aktuelles aus der

Elektrotechnik,

Service & Dienstleistung.

Meisterbetrieb der Elektro-Innung

Elektroservice Rath GmbH

_______Fachbetrieb__f_r_GebaudNcristalcitybanner

Schaltschrankbau:

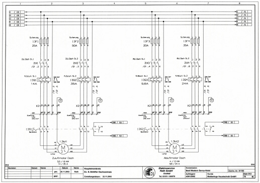
Zur Qualitätssicherung bei der Fertigung von Schaltschränken verwenden wir ausschließlich Zulieferprodukte führender Markenhersteller.

Durch unsere Materiallogistik und Projektierung mit modernster CAD-Software ermöglichen wir von der Planung bis zur Lieferung kürzeste Lieferzeiten.

Die Erfahrung unserer Mitarbeiter bietet Ihnen oder Ihren Kunden eine individuelle Umsetzung wirtschaftlicher Lösungen sowohl von Neuanlagen als auch bei der Umrüstung bestehender Altanlagen.

Die Umsetzung erfolgt auf Wunsch konventionell, speicherprogrammiert (SPS) oder mit direct digital control (DDC).

Copyright: Elektroservice Rath GmbH,  Stand   22.05.18